电液动金属硬密封卸灰阀(双层卸灰阀)
概述
电液动金属硬密封卸灰阀门是根据蘑菇头式、锥形阀等结构的卸灰阀所存在的“体积大、泄漏率高,阀头易磨损以及卡料、电机易烧毁、在工业生产流程中无法进入自动控制”等缺陷而研制的一种结构简单、设计新颖的更新换代之产品。可广泛应用于冶金、矿山、建材、电力、化工等工业生产流程需要远程控制或现场控制卸灰的过程中。
特点
1.集机、电、液、控于一体,可实现远距离控制、中央调度室监控和微机控制;
2.通电后,自动完成上、下阀之间互相交替工作,至设定的卸料量后自动停止,双阀全部关闭;
3.卸料途中遇到卡料现象时,可自动处理故障;
4.配用螺旋闸门便于对本阀维护而起切断料流的作用;
5.泄漏率低,泄漏率≤0.05%
6.采用电液推杆作动力源,过载自动卸荷,自锁性好,不漏油,运行平稳;
7.通过调整调节螺钉可调整密封门隙;
8.采用插板结构卡料现象比其它结构卸灰阀的频率低具不易磨损。
工作原理
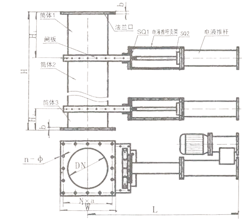
本阀为机、电、液、控于一体的卸料装置,接通电源后,上阀电液推杆自动打开闸板,至限位开关(SQ2)后,停留数秒卸料,然后关闭上阀闸板,至限位开关(SQ1)后转入下阀工作,下阀电液推杆打开闸板至限位开关(SQ4)后,停留数秒卸料,然后关闭下阀闸板至限位开关(SQ3)后转入上阀工作。如此交替工作,至设定的卸灰量后,自动停止全过程工作。
型号编制说明

电液动金属硬密封卸灰阀门示意图

备注
用户如需要特殊要求,可按用户要求设计制造;
电液推杆了大工作频率在常温≤20次/小时为宜。