液压站
  电液推杆
  电液动回转器(转角器)
  电液动犁式卸料器
  电液动三、四通分料器
  电液动扇形闸门
  电液动腭式闸门
  平板闸门
  断带抓捕器
  电液动料流插板调节闸门
  缓冲锁气漏斗
  胶带自控液压拉紧装置
  WQYTZ系列无源全自动液压调偏
  装置
  露天胶带机脱排水装置
  称量漏斗
  自控除尘卸料装置(卸料车)
  碎渣机
  启闭机
  电液动矩形单叶片通风蝶阀
  星形卸灰阀
  电液动金属硬密封卸灰阀
  电液动锥形双层卸灰阀
  防爆阀
  泄压阀
  单、双层棒条阀
  电动锁风翻板阀
  重锤式锁风翻板阀
  百叶圆式窗式阀
  浆液阀(手动、电液动)
  电液动闸阀
  高温蝶阀
  电液动蝶阀
  电液动两路换向阀
  电液动球阀
  液压自动钟罩装置
 
  技术资料 Technology material

FBV-F(Y)型防爆阀

 用 途

  该阀适用于建材、冶金、化工、电力等部门中,作为压缩易爆气体管道的卸压装置。

 特点

   该阀为钢制焊接结构、结构简单、重量轻、性能可靠。

 工作原理

   该阀由阀体、爆破片、压盖等组成,当系统压力大于0.1MPa压力时,爆破片自行破裂,防止系统发生爆炸。

 型号编制说明

 主要性能参数

 

适用介质 压缩易爆气体
工作温度(℃) ≤300
使用压力(MPa) 0.1

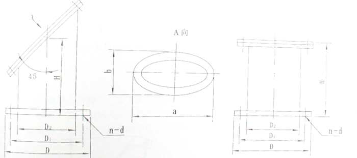
 外形连接安装尺寸

 


<<<上一页          下一页>>>
 
  电液推杆电液动回转器电液动三通分料器电液动四通分料器电液动平板闸门卸灰阀电液动腭式闸门电液动扇形闸门
电话:0523-83498365 传真:0523-83496313 地址:兴化经济开发区开创工业园
版权所有:江苏旭峰机械设备有限公司  技术支持:扬州天利网络技术开发有限公司