百叶阀(圆式、窗式)
1、ZK(Y、C)VB-0.05型电动百叶(圆式、窗式)阀
用途:
本阀是与电动执行机构配套使用,具有启闭小、动作灵敏、性能可靠、口径大、重量轻等优点。广泛应用于冶金、建材、电力、石化、轻工等工业部门的风机、空调机、电收尘和各种大型管道中,能对粉尘、气体、进行电动或手动调节和切断。
主要技术参数:

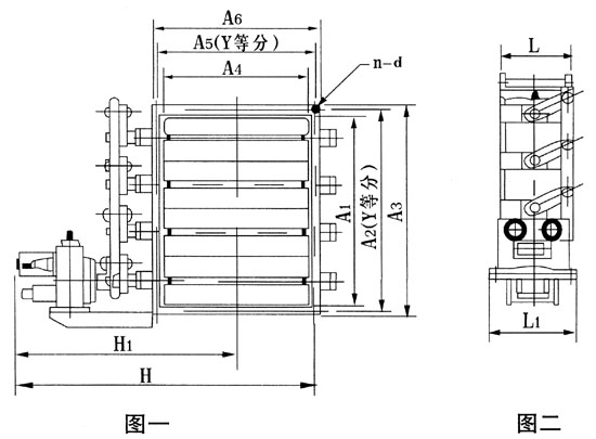
外形尺寸:

2、DYTK(K、C)VB-0.05型电液动百叶(圆式、窗式)阀
用途
阀是与电动执行机构配套使用,具有启闭小、动作灵敏、性能可靠、口径大、重量轻等优点。广泛应用于冶金、建材、电力、石化、轻工等工业部门的风机、空调机、电收尘和各种大型管道中,能对粉尘、气体、进行电动或手动调节和切断。
主要技术参数

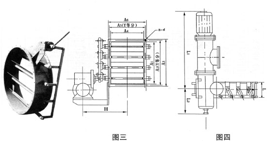
外形尺寸
